DAB2020
페이지 정보
작성자 최고관리자 작성일17-04-15 09:58 조회645회 댓글0건관련링크
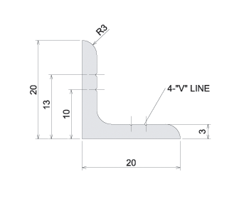
| Meterial | A6N01S-T5 or A6063S-T5 |
| Surface Processing | Anodized |
| Weight | 0.294㎏/m |
| Section Area | 108.6436㎟ |
| Second Section Monent | lx = 0.2×10㎝4 ly = 0.6×10㎝4 |
| Specification | 4,000㎜ / 6,000㎜ |
| Color | Silver, Black |
| Application | Bracket Profile (브라켓용 프로파일) |



