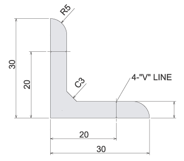
DAB3030
페이지 정보
작성자 최고관리자 작성일17-04-15 09:58 조회776회 댓글0건관련링크
| Meterial | A6N01S-T5 or A6063S-T5 |
| Surface Processing | Anodized |
| Weight | 0.727㎏/m |
| Section Area | 268.4099㎟ |
| Second Section Monent | lx = 0.8×10㎝4 ly = 3.2×10㎝4 |
| Specification | 4,000㎜ / 6,000㎜ |
| Color | Silver, Black |
| Application | Bracket Profile (브라켓용 프로파일) |



