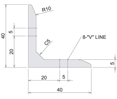
DAB4040
페이지 정보
작성자 최고관리자 작성일17-04-15 09:57 조회461회 댓글0건관련링크
| Meterial | A6N01S-T5 or A6063S-T5 |
| Surface Processing | Anodized |
| Weight | 0.988㎏/m |
| Section Area | 364.6061㎟ |
| Second Section Monent | lx = 2.0×10㎝4 ly = 7.6×10㎝4 |
| Specification | 4,000㎜ / 6,000㎜ |
| Color | Silver, Black |
| Application | Bracket Profile (브라켓용 프로파일) |



