DK알미늄입니다.


 

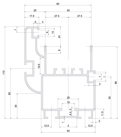
콘베어프레임

DC85110

페이지 정보

작성자 최고관리자 작성일17-04-15 08:55 조회594회 댓글0건

 

Meterial A6N01S-T5 or A6063S-T5
Surface Processing Anodized
Weight 3.08㎏/m
Specification 4,000㎜ / 6,000㎜
Color Silver
Application RF2050 chain conveyor frame (체인 컨베어 프레임)