DK알미늄입니다.


 

콘베어프레임

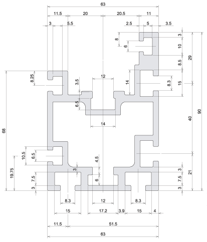
DC6390

페이지 정보

작성자 최고관리자 작성일17-04-15 09:04 조회612회 댓글0건

 

Meterial A6N01S-T5 or A6063S-T5
Surface Processing Anodized
Weight 3.7㎏/m
Specification 4,000㎜ / 6,000㎜
Color Silver
Application RF2040 chain VRP conveyor frame (체인 컨베어 프레임)