DK알미늄입니다.


 

콘베어프레임

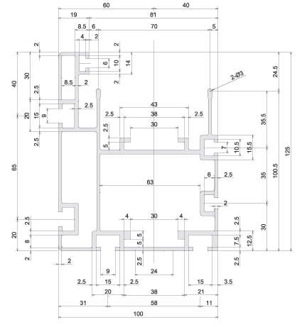
DY-1031

페이지 정보

작성자 최고관리자 작성일17-04-15 08:51 조회575회 댓글0건

 

Meterial A6N01S-T5 or A6063S-T5
Surface Processing Anodized
Weight 4.52㎏/m
Specification 4,000㎜ / 6,000㎜
Color Silver
Application RF2060 chain conveyor frame (체인 컨베어 프레임)