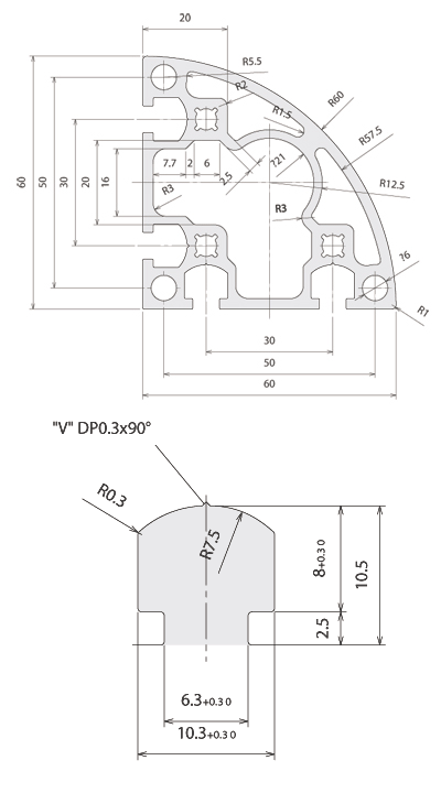
DRF6060
페이지 정보
작성자 최고관리자 작성일17-04-14 19:04 조회585회 댓글0건관련링크
| Meterial | A6N01S-T5 or A6063S-T5 |
| Surface Processing | Anodized |
| Weight | 2.54㎏/m |
| Section Area | 935.965㎟ |
| Second Section Monent | lx = 22.4×10㎝4 ly = 41.8×10㎝4 |
| Specification | 4,000㎜ / 6,000㎜ |
| Color | Silver, Black |
| Application | machine Structure frame, work table, machine cover (기계구조물, 작업대, 기계커버) |


